產品介紹
瑞奇閥門Q971F電動對夾球閥是國內較大的球閥生產商之一。公司經營范圍:閥門,管件,流體設備的生產,加工,銷售,管道配件,建筑材料,五金交電,自控設備的銷售,從事貨物及技術的進出口業務!歡迎新老客戶來電,來函,我們將竭誠為您提供滿意的服務!Q971F電動薄型球閥、電動對夾球閥的主要技術參數:
閥類 | 傳動方式 | 連結形式 | 結構形式 | 密封面 | 公稱壓力(MPa) | 閥體材料 |
球閥 | 9-電動 | 7-對夾式 |
1-浮動 球直通 |
F-氟塑料 H-合金鋼 PPL |
1.6 2.5 4 6.4 |
按表內閥體 材料代號 |
公稱通徑DN(mm) | DN15-DN200 | |||||
材料代號 | C | P | R | |||
主 要 零 件 |
閥體 | WCB | ZG1Cr18Ni9Ti | ZG0Cr18Ni12Mo2Ti | ||
球板 | 2Cr13 | ZG1Cr18Ni9Ti | ZG0Cr18Ni12Mo2Ti | |||
閥桿 | 2Cr13 | 1Cr18Ni9Ti | 0Cr18Ni12Mo2Ti | |||
密封圈 | 增強聚四氟乙烯、合金鋼 | |||||
填料 | 聚四氟乙烯、柔性石墨 | |||||
適 用 工 況 |
適用介質 | 水、蒸汽、油品 | 硝酸類 | 醋酸類 | ||
適用溫度 | -28℃~300℃ | |||||
控制型式 | 開關型/調節型 | |||||
作用型式 | 切斷/調節 | |||||
執行器 | 型號 | HH系列 | ||||
電源 | DC24V、 AC24、 AC110V、 AC220V、 AC380V |
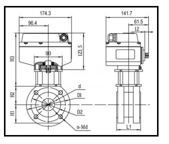
Q971F電動對夾球閥的外形及安裝尺寸:
公稱通徑DN | L | L1 | H | D | D1 | 額定功率 | 額定電流 |
壓力 | 1.6/2.5 | 1.6/2.5 | 1.6/2.5 | 1.6/2.5 | 1.6/2.5 | ||
15 | 32 | 155 | 218 | 95 | 65 | 15W | 0.2A |
20 | 38 | 155 | 223 | 105 | 75 | 15W | 0.2A |
25 | 45 | 155 | 230 | 115 | 86 | 15W | 0.2A |
32 | 55 | 155 | 236 | 136 | 100 | 15W | 0.2A |
40 | 62 | 208 | 243 | 146 | 110 | 25W | 0.5A |
50 | 72 | 208 | 250 | 160 | 125 | 25W | 0.5A |
65 | 95 | 208 | 260 | 180 | 145 | 25W | 0.5A |
80 | 120 | 256 | 278 | 195 | 160 | 50W | 0.8A |
100 | 145 | 256 | 338 | 215 | 180 | 90W | 1.0A |
125 | 200 | 256 | 352 | 245 | 210 | 90W | 1.0A |
150 | 225 | 288 | 382 | 280 | 240 | 120W | 1.2A |
200 | 230 | 288 | 390 | 335 | 295 | 150W | 1.2A |

精心締造,優質品質!!! www.yphttm.com 瑞奇閥門
更多產品